Array Subset function
Appearance

| Object information | |
|---|---|
| Owning palette(s) | Array palette |
| Type | Function |
| Requires | Basic Development Environment |
| Icon | |
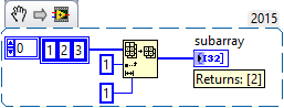
The Array Subset function returns a portion of an array.
Usage
Connect an array of any size and dimensionality to the n-dimensional array terminal. This creates a no-op which returns the entire input array unchanged (begin at index zero and return the rest).
Specify an index at the index terminal to return the rest of the array starting at the specified index.
Specify a length at the length terminal to limit the maximum number of elements returned. The subarray will contain at most the number of elements defined by length.
Best practice
- Always connect at least one of the index or length terminals.
- Use the Index Array function to access single elements and full subarrays.


